General-Purpose Chassis
Versatile control box with integrated monitoring and output interfaces.
1. Intuitive Interface
Clear LCD and LED indicators simplify setup and signal verification.
2. Comprehensive Outputs
BNC ports for acceleration, velocity, and displacement signals.
3. Smart Connectivity
LAN, RS-232, and autofocus options enable advanced system integration.
- Overview
- Control box back panel
- Recommended Products
Front Panel of Control Box

1. The LCD screen is used for device display and instrument parameter settings, allowing intuitive selection of settings such as gear, range, and filter. This provides users with a clear interface for operation.
2. MONITOR: The signal intensity display shows the optical signal strength received by the instrument. The indicator light's intensity and stability reflect the test signal's strength and stability, helping verify focus accuracy during debugging and monitoring signal stability throughout testing.
3. VEL (Vibration Elbow) speed output: BNC interface for vibration velocity signal.
4. DIS (Displacement) output: BNC interface for vibration displacement signal (requires optional displacement decoder).
5. Power switch: For instrument power on/off. (Note: Ensure all cables are properly connected and secured before power-on. Improper operation may damage the instrument.)
6. ACC (Acceleration) output interface: Vibration acceleration signal (requires optional acceleration decoder).
7. MONITOR: A 0-5V voltage-based signal intensity indicator for optical head monitoring.
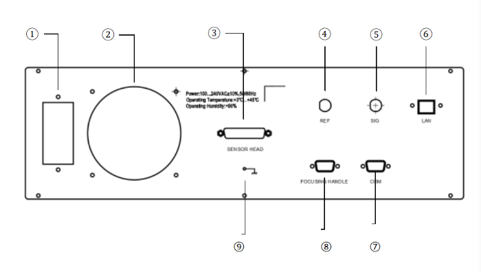
Control Box Back Panel

- The power switch and plug for the vibration tester control box operate on 50Hz/220VAC AC power. The power must be turned off when the device is not in use.
- The control box's cooling fan ensures proper heat dissipation. During operation, avoid blocking the cooling port or placing it too close to the front panel. Maintain at least 10cm clearance from the wall to prevent overheating, which could damage internal components.
- The SENSOR HEAD optical interface is designed for plugging the LDV cable into the optical head.
- Ports for pre-manufacturing debugging, calibration, and after-sales maintenance of REF signal interface instruments.
- Ports for pre-factory debugging, calibration, and after-sales maintenance of SIG signal interface instruments.
- LAN Ethernet port for vibration signal output (compatible only with VD and DD series decoders).
- RS-232 communication port (7.0Mbit/s) for embedded systems, industrial control systems, or host software to control hardware functions including automatic focusing and gear position adjustment (special configurations require secondary development).
- Computer-controlled autofocus interface (optional) for automatic focus control.
- The grounding protection terminal is used to connect to the earth for leakage protection.